正规滚球app(中国)官方网站 - ios/安卓/手机app下载

销售邮箱

sales@ktvalve.com

服务热线

021-36160823

法兰硬密封蝶阀

法兰硬密封蝶阀 KFD3/943H

在线咨询 发起询价 销售热线:021-36160823

用途

该产品可用于石化、电力、城建等行业的液体和气体管路,一般作为启闭设备使用。


执行标准

设计制造:JB/T8527

连接法兰:GB/T9113

结构长度:GB/T12221

试验检验:GB/T13927

 

特点

1、90度行程,启闭迅速。

2、蝶板采用三偏心结构,使阀座与蝶板在相对运动中几乎无摩擦,操作省力、使用寿命长。而且蝶板越关越紧,密封性好。

3、本产品为多层次金属硬密封圈,采用柔性石墨与不锈钢片叠加精制而成,耐高温、耐老化,同时具有金属硬密封和弹性软密封的双重优点,使密封性能更可靠。

4、流阻小,具有良好的水力特性,节能效果好。

5、该滚球app也可根据需要将多层次密封圈设计为整体型(全不锈钢),滚球app的结构和尺寸不变。


主要性能参数和材料

型号

公称压力PN

适用温度

适用介质

主要零件材料

阀体、蝶板

阀杆

阀座

密封圈

填料

KFD343H-6C~40C

6~40

≤425

水、油品、蒸汽、烟气等

碳钢

铬不锈钢

铁基合金

不锈钢+石墨

柔性石墨

 

KFD343H-6P~40P

6~40

≤500

水、油品、蒸汽、烟气、腐蚀性介质等

奥氏体不锈钢

铬钼钢

钴基合金

 

主要连接尺寸

型号

DN

100

125

150

200

250

300

350

400

KFD343H-6C

L

127

140

140

152

165

178

216

H

260

285

306

390

430

500

580

型号

DN

450

500

600

700

800

900

1000

1200

KFD343H-6C

L

222

229

267

292

318

330

410

470

H

620

605

720

1075

1160

1345

1460

1520


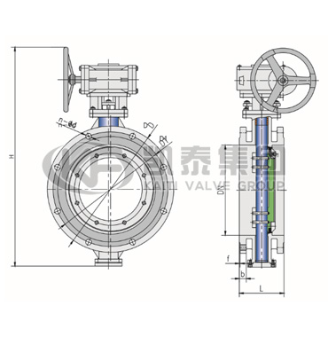
法兰硬密封蝶阀结构图

法兰硬密封蝶阀


提供全球流体控制解决方案

友情链接:正规滚球app官方网站  ng电子游戏  凤凰彩票官网  PG电子官网  jinnianhui金年会  环球体育官网  jinnianhui金年会  庄闲和游戏官网  ng电子游戏  正规滚球app官方网站