正规滚球app(中国)官方网站 - ios/安卓/手机app下载

销售邮箱

sales@ktvalve.com

服务热线

021-36160823

微阻缓闭止回阀

微阻缓闭止回阀 KFHH44X/H

在线咨询 发起询价 销售热线:021-36160823

用途

该阀用于给排水管道,安装在水泵出口处用来防止介质逆流,并能有效地减少滚球app关闭水锤压力,保障管网安全运行。


执行标准

设计制造:GB/T13932(参照),GB/T12236(参照)

连接法兰:GB/T17241.6

结构长度:企标

试验检验:GB/T13927


特点

1、旋启式阀瓣,结构简单,动作可靠。

2、流道通畅、带配重锤,流体阻力小。

3、设有缓闭阻尼液压缸,阀瓣在接近全关时,能使其关闭速度变慢,防止水锤发生。慢关速度可调。

4、动作灵敏、密封性能好,无噪音,无振动,使用寿命长。


主要性能参数和材料

型号

公称压力PN

适用温度

适用介质

主要零件材料

阀体、阀盖

阀瓣

密封面

阀轴

KFH44X-10Q~25Q

10~25

≤80

球墨铸铁

钢板衬胶

橡胶

不锈钢

KFH44H-10C~25C

≤200

铸钢

铸钢

合金钢


主要连接尺寸

型号

DN

40

50

65

80

100

125

150

200

250

300

KFHC44X/T/H-10/16/25

L

200

230

290

310

350

400

480

500

600

700

H

230

250

270

290

375

420

450

480

585

615


型号

DN

350

400

450

500

600

700

800

900

1000

KFHC44X/T/H-10/16/25

L

800

900

1000

1100

1300

1400

1700

2000

2200

H

680

770

855

960

1215

1345

1380

1405

1455


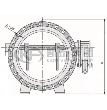
微阻缓闭止回阀结构图

微阻缓闭止回阀


提供全球流体控制解决方案

友情链接:环球体育官网  PG电子官网  电竞竞猜官网  AG真人国际  凤凰彩票官网  AG真人国际  电竞竞猜官网  庄闲和游戏官网  凤凰彩票官网